服务热线:
138 7582 5678
产品概述
斜面防爆阀也叫防爆门,是保护锅炉本体及烟道被吸瘪的新型产品。采用钢制焊接结构,结构简单,重量轻,性能可靠。主要由阀体、爆破片、压盖等组成,当系统压力大于0.1MPa时,爆破片自行破裂,防止系统发生爆炸。本阀适用于建材、冶金、化工、电力等领域,作为压缩易爆气体管道的泄压装置。主要起保护作用、防止安全事故的发生。
主要性能参数
| 适用介质 | 适用温度 | 使用压力 |
| 压缩易爆气体 | ≤80℃ | ≤0.1MPa |
主要零件材料
| 零件名称 | 阀体 | 爆破片 | 阀盖 |
| 材料 | 碳钢 | 铝合金 | 碳钢 |

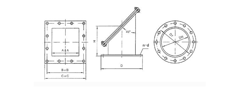
主要外形连接尺寸
A×A | B×B | C×C | H | n-d | DN | D | D1 | H | N-D |
200×200 | 270×270 | 305×305 | 220 | 8-Φ18 | 200 | 305 | 270 | 220 | 9-Φ18 |
250×250 | 335×335 | 370×370 | 250 | 12-Φ18 | 250 | 370 | 335 | 250 | 12-Φ18 |
300×300 | 385×385 | 425×425 | 300 | 12-Φ18 | 300 | 425 | 385 | 300 | 12-Φ18 |
350×350 | 435×435 | 477×477 | 350 | 12-Φ18 | 350 | 477 | 435 | 350 | 12-Φ18 |
400×400 | 490×490 | 536×536 | 400 | 12-Φ18 | 400 | 536 | 490 | 400 | 12-Φ18 |
450×450 | 540×540 | 588×588 | 450 | 16-Φ18 | 450 | 588 | 540 | 450 | 16-Φ18 |
500×500 | 600×600 | 649×649 | 500 | 16-Φ18 | 500 | 649 | 600 | 500 | 16-Φ18 |
600×600 | 700×700 | 750×750 | 550 | 16-Φ18 | 600 | 750 | 700 | 550 | 16-Φ18 |
700×700 | 800×800 | 850×850 | 550 | 16-Φ18 | 700 | 850 | 800 | 550 | 16-Φ18 |
800×800 | 900×900 | 950×950 | 600 | 20-Φ18 | 800 | 950 | 900 | 600 | 20-Φ18 |
地址:湖南省长沙市雨花区中意一路967号中
海珑悦府1栋1904
手机/微信:138 7582 5678
服务热线:400-608-0731 电话:0731-8202 5555 邮箱:cssufa@163.com 网址:http://www.cssufa.com
热线电话:400-608-0731 138 7582 5678 


