服务热线:
138 7582 5678
产品详情
产品概述
薄膜式水用减压阀本系列减压阀属于直接作用式薄膜弹簧减压阀。主要由调节弹簧、膜片、活塞、阀座、阀瓣等零件组成。利用膜片直接传感下游压力驱动阀瓣,控制阀瓣开度完成减压稳压功能。 在城市建筑、高层建筑的冷热供水系统中,可取代常规分区水管,节省设备。也可在通常的冷热水管网中,起减压稳压作用。 本产品调压、稳压动作平稳,适用于水和非腐蚀性液体介质的管路。
主要性能指标
公称压力(MPa) | 1.6 | 2.5 | 4.0 | 6.4 | 10.0 | 16.0 |
壳化试验压力(Mpa) | 2.4 | 3.75 | 6.0 | 9.6 | 15.0 | 24 |
密封试验压力(Mpa) | 1.6 | 2.5 | 4.0 | 6.4 | 10.0 | 16.0 |
最高进口压力(Mpa) | 1.6 | 2.5 | 4.0 | 6.4 | 10.0 | 16.0 |
出口压力范围(Mpa) | 1.0-1.0 | 0.1-1.6 | 0.1-2.5 | 0.5-3.5 | 0.5-35 | 0.5-45 |
压力特性偏差(Mpa)△P2P | GB12246-1989 | |||||
流量特性偏差(Mpa)△P2G | GB12246-1989 | |||||
最小压差(Mpa) | 0.15 | 0.15 | 0.2 | 0.4 | 0.8 | 1.0 |
渗漏量 | GB12245-1989 | |||||
标准 | 其他非标定制 | |||||

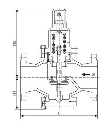
主要外形尺寸
公称通径DN | 外形尺寸 | ||
L | H2 | H1 | |
15 | 160 | 225 | 90 |
20 | 160 | 265 | 98 |
25 | 180 | 265 | 110 |
32 | 200 | 265 | 110 |
40 | 220 | 320 | 125 |
50 | 250 | 320 | 125 |
65 | 280 | 325 | 130 |
80 | 310 | 385 | 160 |
100 | 350 | 385 | 170 |
125 | 400 | 430 | 200 |
150 | 450 | 430 | 210 |
200 | 500 | 560 | 240 |
250 | 650 | 690 | 290 |
300 | 800 | 800 | 335 |
350 | 850 | 880 | 375 |
400 | 900 | 980 | 405 |
450 | 900 | 1100 | 455 |
500 | 950 | 1130 | 465 |
地址:湖南省长沙市雨花区中意一路967号中
海珑悦府1栋1904
手机/微信:138 7582 5678
服务热线:400-608-0731 电话:0731-8202 5555 邮箱:cssufa@163.com 网址:http://www.cssufa.com
Copyright © 2022 湖南中苏达尔流体设备有限公司 版权所有
热线电话:400-608-0731 138 7582 5678 


