服务热线:
138 7582 5678
产品详情
产品概述
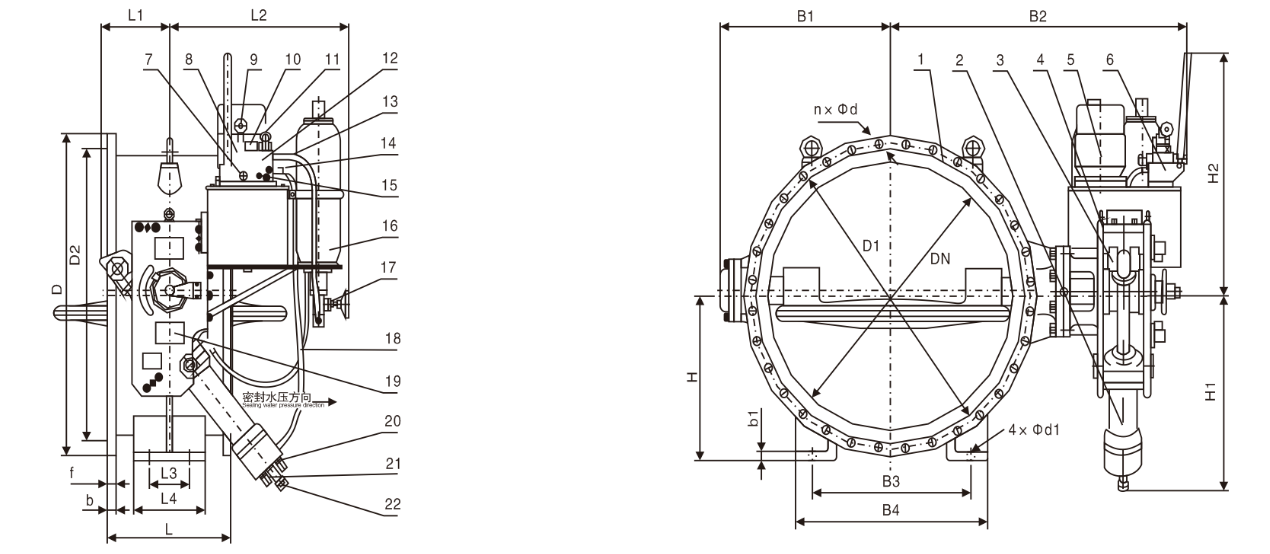
蓄能器式液控缓闭止回蝶阀具有较完善的液压系统和电气控制系统,即可现场操作,也可远距离操作,本阀的控制系统采用蓄能罐取代了目前国内同行厂家生产的重锤,将重锤势能变为流体蓄能,不仅节省了长期运行支承重锤所耗的能量,改善了液压系统的保压性能。主要安装于水电站水轮机进口,用作水轮机进口阀;或安装于水利、电力、给排水等各类泵站的水泵出口,代替止回阀和闸阀的作用。工作时,该阀与管道主机配合,按照水力过渡过程原理,通过预设的启闭程序,实现管路的可靠截止,有效消除管路水锤,起到保护管路系统安全的作用。该阀门适用于水、海水、油品及其他非腐蚀性的流体介质,可在泵的出口或管路中起止回和截止功能用。
产品特点
1、靠两个蓄能器蓄能,无外来能源时可自动关阀。
2、密封可靠、流阻系数小。
3、采用PLC智能控制系统,可实现文本、触摸屏等多种人性化操作界面。
4、可以实现远程、本地控制。
5、能按预定程序实现与其他管路设备联动操作。
6、具有快、慢可调的关闭功能。
7、具有截止、止回功能。
8、关闭时能实现缓闭功能,有效消除水锤危害,保护水泵及网管系统的安全。
执行标准
设计与制造 | GB/T14478、JB/T5299 |
结构长度 | GB/T12221 |
配管法兰 | JB/T74~90、GB/T12380、GB/T9112~9131 |
蓄能器标准 | GB/T2352 |
试验与检验 | GB/T14478、GB/T13927 |
质量保证 | ISO9001 |
主要技术参数
公称通径DN(mm) | 300~4000 | |
公称压力级PN(MPa) | 0.25~2.5 | |
试验压力Ps(MPa) | 密封 | 1.1×PN |
强度 | 1.5×PN | |
工作压力(MPa) | 1.0×PN | |
介质温度(℃) | ≤80 | |
适用介质 | 水、海水、泥沙水、油品等非腐蚀性流体 | |
主要零件材质
零件名称 | 材料 |
阀体 | 灰铸铁、球墨铸铁、碳素钢 |
蝶板 | 灰铸铁、球墨铸铁、碳素钢 |
阀轴 | 2Cr13、45# |
阀体密封面 | 铜、不锈钢 |
蝶板密封圈 | 优质丁橡胶、不锈钢 |
填料 | V形密封圈 |
墙板 | 碳素钢 |

主要外形及连接尺寸(PN=0.25MPa)
公称通径 (mm) | L | D | D1 | D2 | b | f | n | d | L1 | L2 | L3 | L4 | H | H1 | H2 | B1 | B2 | B3 | B4 | b1 | d1 |
| 300 | 178 | 435 | 395 | 366 | 26 | 4 | 12 | 23 | 210 | 705 | 100 | 150 | 300 | 650 | 860 | 280 | 765 | 320 | 380 | 30 | 30 |
| 350 | 190 | 490 | 445 | 413 | 28 | 4 | 12 | 23 | 210 | 705 | 100 | 140 | 320 | 650 | 860 | 305 | 810 | 320 | 380 | 30 | 30 |
| 400 | 216 | 540 | 495 | 463 | 32 | 4 | 16 | 23 | 210 | 705 | 120 | 180 | 350 | 650 | 860 | 365 | 860 | 340 | 420 | 30 | 30 |
| 500 | 229 | 645 | 600 | 568 | 34 | 4 | 20 | 23 | 210 | 705 | 150 | 220 | 400 | 650 | 860 | 440 | 930 | 400 | 500 | 40 | 32 |
| 600 | 267 | 755 | 705 | 667 | 35 | 5 | 20 | 26 | 235 | 740 | 150 | 250 | 460 | 730 | 1020 | 525 | 1066 | 450 | 550 | 40 | 32 |
| 700 | 292 | 860 | 810 | 772 | 35 | 5 | 24 | 26 | 235 | 740 | 180 | 290 | 520 | 730 | 1020 | 555 | 1080 | 570 | 700 | 40 | 32 |
| 800 | 318 | 975 | 920 | 878 | 40 | 5 | 24 | 31 | 335 | 740 | 180 | 310 | 580 | 730 | 1020 | 605 | 1240 | 650 | 780 | 40 | 32 |
| 900 | 330 | 1075 | 1020 | 978 | 40 | 5 | 24 | 31 | 380 | 890 | 180 | 320 | 640 | 960 | 1160 | 670 | 1310 | 700 | 860 | 40 | 35 |
| 1000 | 410 | 1175 | 1120 | 1078 | 42 | 5 | 28 | 31 | 380 | 890 | 200 | 360 | 690 | 960 | 1160 | 755 | 1360 | 740 | 900 | 40 | 35 |
| 1200 | 470 | 1375 | 1320 | 1280 | 45 | 5 | 32 | 31 | 380 | 890 | 200 | 360 | 810 | 960 | 1160 | 855 | 1500 | 790 | 950 | 40 | 35 |
| 1300 | 530 | 1475 | 1420 | 1380 | 30 | 5 | 32 | 31 | 460 | 920 | 260 | 400 | 860 | 1040 | 1210 | 935 | 1565 | 820 | 960 | 40 | 42 |
| 1400 | 530 | 1575 | 1520 | 1480 | 30 | 5 | 36 | 31 | 460 | 920 | 260 | 400 | 940 | 1040 | 1210 | 1010 | 1630 | 840 | 1000 | 40 | 42 |
| 1500 | 600 | 1690 | 1630 | 1590 | 30 | 5 | 36 | 31 | 460 | 920 | 260 | 400 | 1000 | 1040 | 1210 | 1055 | 1670 | 900 | 1040 | 40 | 42 |
| 1600 | 600 | 1790 | 1730 | 1690 | 32 | 5 | 40 | 31 | 540 | 980 | 270 | 400 | 1080 | 1105 | 1320 | 1120 | 1830 | 1100 | 1300 | 40 | 42 |
| 1750 | 670 | 1935 | 1880 | 1840 | 32 | 5 | 44 | 31 | 540 | 980 | 270 | 500 | 1130 | 1105 | 1320 | 1175 | 1955 | 1350 | 1500 | 45 | 42 |
| 1800 | 670 | 1990 | 1930 | 1890 | 34 | 5 | 44 | 31 | 540 | 980 | 270 | 500 | 1130 | 1105 | 1320 | 1210 | 1980 | 1370 | 1570 | 45 | 42 |
| 2000 | 760 | 2190 | 2130 | 2090 | 34 | 5 | 48 | 31 | 680 | 1040 | 360 | 560 | 1250 | 1250 | 1380 | 1380 | 2250 | 1370 | 1650 | 45 | 42 |
| 2200 | 800 | 2405 | 2340 | 2295 | 36 | 6 | 52 | 34 | 680 | 1040 | 360 | 600 | 1320 | 1250 | 1380 | 1480 | 2350 | 1600 | 1880 | 45 | 42 |
| 2400 | 850 | 2605 | 2540 | 2495 | 38 | 6 | 56 | 34 | 850 | 1090 | 450 | 600 | 1440 | 1360 | 1540 | 1590 | 2470 | 1740 | 2020 | 45 | 42 |
| 2600 | 900 | 2805 | 2740 | 2695 | 40 | 6 | 60 | 34 | 850 | 1090 | 500 | 700 | 1520 | 1360 | 1540 | 1670 | 2520 | 1850 | 2200 | 50 | 42 |
| 2800 | 950 | 3030 | 2960 | 2910 | 42 | 6 | 64 | 37 | 850 | 1090 | 600 | 750 | 1620 | 1360 | 1540 | 1775 | 2630 | 2000 | 2400 | 50 | 48 |
| 3000 | 1000 | 3230 | 3160 | 3110 | 42 | 6 | 68 | 37 | 920 | 1140 | 600 | 800 | 1720 | 1430 | 1620 | 1885 | 2770 | 2160 | 2560 | 50 | 48 |
| 3200 | 1100 | 3430 | 3360 | 3310 | 44 | 6 | 72 | 37 | 920 | 1140 | 700 | 900 | 1820 | 1430 | 1620 | 1970 | 2910 | 2360 | 2760 | 50 | 48 |
| 3400 | 1200 | 3630 | 3560 | 3510 | 46 | 6 | 76 | 37 | 920 | 1140 | 750 | 1000 | 1920 | 1430 | 1620 | 2060 | 3050 | 2420 | 2920 | 50 | 48 |
| 3500 | 1200 | 3730 | 3660 | 3610 | 48 | 6 | 78 | 37 | 920 | 1140 | 750 | 1000 | 1980 | 1430 | 1620 | 2110 | 3120 | 2680 | 3180 | 50 | 48 |
| 3600 | 1200 | 3840 | 3770 | 3720 | 48 | 6 | 80 | 37 | 750 | 1000 | 2050 | 3000 | 2750 | ||||||||
| 3800 | 1200 | 4045 | 3970 | 3920 | 48 | 6 | 80 | 40 | 750 | 1000 | 2100 | 3100 | 2850 | ||||||||
| 4000 | 1300 | 4245 | 4170 | 4020 | 50 | 6 | 84 | 40 | 800 | 1100 | 2200 | 3200 | 2950 |
主要外形及连接尺寸(PN=0.6MPa)
| 公称通径(mm) | L | D | D1 | D2 | b | f | n | d | L1 | L2 | L3 | L4 | H | H1 | H2 | B1 | B2 | B3 | B4 | b1 | d1 |
| 300 | 178 | 440 | 395 | 363 | 26 | 4 | 12 | 23 | 210 | 705 | 100 | 150 | 300 | 650 | 860 | 280 | 765 | 320 | 380 | 30 | 30 |
| 350 | 190 | 490 | 445 | 413 | 28 | 4 | 12 | 23 | 210 | 705 | 100 | 140 | 320 | 650 | 860 | 305 | 810 | 320 | 380 | 30 | 30 |
| 400 | 216 | 540 | 495 | 463 | 32 | 4 | 16 | 23 | 210 | 705 | 120 | 180 | 350 | 650 | 860 | 365 | 860 | 340 | 420 | 30 | 30 |
| 500 | 229 | 645 | 600 | 568 | 34 | 4 | 20 | 23 | 210 | 705 | 150 | 220 | 400 | 650 | 860 | 440 | 930 | 400 | 500 | 40 | 32 |
| 600 | 267 | 755 | 705 | 667 | 35 | 5 | 20 | 28 | 235 | 740 | 150 | 250 | 460 | 730 | 1020 | 525 | 1066 | 450 | 550 | 40 | 32 |
| 700 | 292 | 860 | 810 | 772 | 35 | 5 | 24 | 28 | 235 | 740 | 180 | 290 | 520 | 730 | 1020 | 555 | 1080 | 470 | 700 | 40 | 32 |
| 800 | 318 | 975 | 920 | 878 | 40 | 5 | 24 | 31 | 235 | 740 | 180 | 310 | 580 | 730 | 1020 | 605 | 1240 | 650 | 780 | 40 | 32 |
| 900 | 330 | 1075 | 1020 | 978 | 40 | 5 | 24 | 31 | 380 | 890 | 180 | 320 | 640 | 960 | 1160 | 670 | 1310 | 700 | 860 | 40 | 35 |
| 1000 | 410 | 1175 | 1120 | 1078 | 42 | 5 | 28 | 31 | 380 | 890 | 200 | 360 | 690 | 960 | 1160 | 755 | 1360 | 740 | 900 | 40 | 35 |
| 1200 | 470 | 1405 | 1340 | 1295 | 45 | 5 | 32 | 34 | 380 | 890 | 200 | 360 | 810 | 960 | 1160 | 855 | 1500 | 790 | 950 | 40 | 35 |
| 1300 | 530 | 1520 | 1450 | 1405 | 35 | 5 | 32 | 37 | 460 | 920 | 260 | 400 | 860 | 1040 | 1210 | 935 | 1565 | 820 | 960 | 40 | 42 |
| 1400 | 530 | 1630 | 1560 | 1510 | 46 | 5 | 36 | 37 | 460 | 920 | 260 | 400 | 940 | 1040 | 1210 | 1010 | 1630 | 840 | 1000 | 40 | 42 |
| 1500 | 600 | 1730 | 1660 | 1610 | 40 | 5 | 36 | 37 | 460 | 920 | 260 | 400 | 1000 | 1040 | 1210 | 1055 | 1670 | 900 | 1040 | 40 | 42 |
| 1600 | 600 | 1830 | 1760 | 1710 | 50 | 5 | 40 | 37 | 540 | 980 | 270 | 400 | 1080 | 1105 | 1320 | 1120 | 1830 | 1100 | 1300 | 40 | 48 |
| 1750 | 670 | 1995 | 1920 | 1868 | 50 | 5 | 44 | 40 | 540 | 980 | 270 | 500 | 1130 | 1105 | 1320 | 1175 | 1955 | 1350 | 1500 | 45 | 48 |
| 1800 | 670 | 2045 | 1970 | 1918 | 52 | 5 | 44 | 40 | 540 | 980 | 270 | 500 | 1130 | 1105 | 1320 | 1210 | 1980 | 1370 | 1570 | 45 | 48 |
| 2000 | 760 | 2265 | 2180 | 2125 | 40 | 5 | 48 | 43 | 680 | 1040 | 360 | 560 | 1250 | 1250 | 1380 | 1380 | 2250 | 1370 | 1650 | 45 | 48 |
| 2200 | 800 | 2475 | 2390 | 2335 | 42 | 6 | 52 | 43 | 680 | 1040 | 360 | 600 | 1320 | 1250 | 1380 | 1480 | 2350 | 1600 | 1880 | 45 | 48 |
| 2400 | 850 | 2685 | 2600 | 2545 | 45 | 6 | 56 | 43 | 850 | 1090 | 450 | 600 | 1440 | 1360 | 1540 | 1590 | 2470 | 1740 | 2020 | 45 | 48 |
| 2600 | 900 | 2905 | 2810 | 2750 | 46 | 6 | 60 | 49 | 850 | 1090 | 500 | 700 | 1520 | 1360 | 1540 | 1670 | 2520 | 1850 | 2200 | 50 | 56 |
| 2800 | 950 | 3115 | 3020 | 2960 | 48 | 6 | 64 | 49 | 850 | 1090 | 600 | 750 | 1620 | 1360 | 1540 | 1775 | 2630 | 2000 | 2400 | 50 | 56 |
| 3000 | 1000 | 3315 | 3220 | 3160 | 50 | 6 | 68 | 49 | 920 | 1140 | 600 | 800 | 1720 | 1430 | 1620 | 1885 | 2770 | 2160 | 2560 | 50 | 56 |
| 3200 | 1100 | 3525 | 3430 | 3370 | 54 | 6 | 72 | 49 | 920 | 1140 | 700 | 900 | 1820 | 1430 | 1620 | 1970 | 2910 | 2360 | 2760 | 50 | 56 |
| 3400 | 1200 | 3735 | 3640 | 3580 | 56 | 6 | 76 | 49 | 920 | 1140 | 750 | 1000 | 1920 | 1430 | 1620 | 2060 | 3050 | 2420 | 2920 | 50 | 56 |
| 3500 | 1200 | 3840 | 3745 | 3685 | 58 | 6 | 78 | 49 | 920 | 1140 | 750 | 1000 | 1980 | 1430 | 1620 | 2110 | 3120 | 2680 | 3180 | 50 | 56 |
主要外形及连接尺寸(PN=1.0MPa)
| 公称通径(mm) | L | D | D1 | D2 | b | f | n | d | L1 | L2 | L3 | L4 | H | H1 | H2 | B1 | B2 | B3 | B4 | b1 | d1 |
| 300 | 178 | 445 | 400 | 370 | 26 | 4 | 12 | 23 | 210 | 705 | 100 | 150 | 300 | 650 | 860 | 280 | 765 | 320 | 380 | 30 | 30 |
| 350 | 190 | 505 | 460 | 429 | 28 | 4 | 16 | 23 | 210 | 705 | 100 | 140 | 320 | 650 | 860 | 305 | 810 | 320 | 380 | 30 | 30 |
| 400 | 216 | 565 | 515 | 480 | 32 | 4 | 16 | 28 | 210 | 705 | 120 | 180 | 350 | 650 | 860 | 365 | 860 | 340 | 420 | 30 | 30 |
| 500 | 229 | 670 | 620 | 582 | 34 | 4 | 20 | 28 | 210 | 705 | 150 | 220 | 400 | 650 | 860 | 440 | 930 | 400 | 500 | 40 | 32 |
| 600 | 267 | 780 | 725 | 682 | 35 | 5 | 20 | 31 | 235 | 740 | 150 | 250 | 460 | 730 | 1020 | 525 | 1066 | 450 | 550 | 40 | 32 |
| 700 | 292 | 895 | 840 | 794 | 35 | 5 | 24 | 31 | 235 | 740 | 180 | 290 | 520 | 730 | 1020 | 555 | 1080 | 570 | 700 | 40 | 32 |
| 800 | 318 | 1015 | 950 | 901 | 40 | 5 | 24 | 34 | 235 | 740 | 180 | 310 | 580 | 730 | 1020 | 605 | 1240 | 650 | 780 | 40 | 32 |
| 900 | 330 | 1115 | 1050 | 1001 | 40 | 5 | 28 | 34 | 380 | 890 | 180 | 320 | 640 | 960 | 1160 | 670 | 1310 | 700 | 860 | 40 | 35 |
| 1000 | 410 | 1230 | 1160 | 1112 | 42 | 5 | 28 | 37 | 380 | 890 | 200 | 360 | 690 | 960 | 1160 | 755 | 1360 | 740 | 900 | 40 | 35 |
| 1100 | 470 | 1340 | 1270 | 1222 | 42 | 5 | 28 | 37 | 380 | 890 | 200 | 360 | 750 | 960 | 1160 | 805 | 1410 | 760 | 920 | 40 | 35 |
| 1200 | 470 | 1455 | 1380 | 1328 | 45 | 5 | 32 | 40 | 380 | 820 | 200 | 360 | 810 | 960 | 1160 | 855 | 1500 | 790 | 950 | 40 | 35 |
| 1250 | 530 | 1505 | 1430 | 1378 | 45 | 5 | 32 | 40 | 380 | 890 | 200 | 360 | 810 | 960 | 1160 | 910 | 1525 | 1140 | 1280 | 40 | 42 |
| 1300 | 530 | 1575 | 1490 | 1425 | 45 | 5 | 32 | 43 | 460 | 920 | 260 | 400 | 860 | 1040 | 1210 | 935 | 1565 | 820 | 960 | 40 | 42 |
| 1400 | 530 | 1675 | 1590 | 1530 | 46 | 5 | 36 | 43 | 460 | 920 | 260 | 400 | 940 | 1040 | 1210 | 1010 | 1630 | 840 | 1000 | 40 | 42 |
| 1500 | 600 | 1785 | 1700 | 1640 | 46 | 5 | 36 | 49 | 460 | 920 | 260 | 400 | 1000 | 1040 | 1210 | 1055 | 1670 | 900 | 1040 | 40 | 42 |
| 1600 | 600 | 1915 | 1820 | 1750 | 50 | 5 | 40 | 49 | 540 | 980 | 270 | 400 | 1080 | 1105 | 1320 | 1120 | 1830 | 1100 | 1300 | 40 | 48 |
| 1750 | 670 | 2065 | 1970 | 1900 | 50 | 5 | 44 | 49 | 540 | 980 | 270 | 500 | 1130 | 1105 | 1320 | 1175 | 1955 | 1350 | 1500 | 45 | 48 |
| 1800 | 670 | 2115 | 2020 | 1950 | 52 | 5 | 44 | 49 | 540 | 980 | 270 | 500 | 1130 | 1105 | 1320 | 1210 | 1980 | 1370 | 1570 | 45 | 48 |
| 2000 | 760 | 2325 | 2230 | 2150 | 54 | 5 | 48 | 49 | 680 | 1040 | 360 | 560 | 1250 | 1250 | 1380 | 1380 | 2250 | 1370 | 1650 | 45 | 48 |
| 2200 | 800 | 2550 | 2440 | 2370 | 58 | 5 | 52 | 56 | 680 | 1040 | 360 | 600 | 1320 | 1250 | 1380 | 1480 | 2350 | 1600 | 1880 | 45 | 56 |
| 2250 | 800 | 2600 | 2490 | 2420 | 60 | 5 | 52 | 56 | 680 | 1040 | 360 | 600 | 1330 | 1250 | 1380 | 1510 | 2375 | 1600 | 1880 | 45 | 56 |
| 2400 | 850 | 2760 | 2650 | 2570 | 65 | 6 | 56 | 56 | 850 | 1090 | 450 | 600 | 1440 | 1360 | 1540 | 1590 | 2470 | 1740 | 2020 | 45 | 56 |
地址:湖南省长沙市雨花区中意一路967号中
海珑悦府1栋1904
手机/微信:138 7582 5678
服务热线:400-608-0731 电话:0731-8202 5555 邮箱:cssufa@163.com 网址:http://www.cssufa.com
Copyright © 2022 湖南中苏达尔流体设备有限公司 版权所有
热线电话:400-608-0731 138 7582 5678 


