服务热线:
138 7582 5678
产品概述
快关液控止回蝶阀由阀门、齿轮齿条油缸传动装置、液压系统、电气控制系统四大部分组成。该阀可在0.3-0.8秒内实现快速截断,属于安全阀。主要安装于汽轮机抽气管路、高炉煤气余压发电装置(TRT)进气管路等高安全等级系统,作紧急切断阀用;有效防止汽机尾部蒸汽和冷凝水倒灌,保护机组的安全。
结构特点
主阀为三偏心金属密封蝶阀,在传统的双偏心结构基础上配置独特的角偏心设计,充分利用凸轮效应,是阀门启闭时密封副瞬时接触、瞬时脱离,消除了摩擦和卡挤,磨损小,耐高温,启闭轻松,密封可靠。齿轮齿条传动箱结构紧凑,直接与油缸相联;油缸尾部设有缓冲装置,消除快关时的惯性冲击,延长阀门使用寿命。
液压系统根据快关动力源的不同,分为弹簧蓄能快关(YKD)和蓄能器蓄能快关(YxKD)两大类。阀门的启闭动力源一般由液压系统中的油泵机组提供,也可来源于汽轮机主机配液压站。正常启闭速度由流量阀调节控制。
执行标准
设计与制造 | GB/T 14478、GB/T 12238、JB/T 8527 | |
| 传动装置 | JB/T5299 | |
结构长度 | GB/T12221 | |
配管法兰 | 灰铸铁法兰 | GB/T17241.6 |
| 球墨铸铁法兰 | GB12380.1~12380.3 | |
| 钢制法兰 | GB/T9113、JB/T79、HG/T20592 | |
蓄能器标准 | GB/T2352 | |
试验与检验 | GB/T14478、GB/T13927 | |
质量保证 | ISO9001 | |
注:可采用其他有关标准和国外标准,法兰尺寸可按用户要求制造,但应在订货合同中写明。
主要技术参数
公称通径DN(mm) | 200~4000 | |
公称压力级PN(MPa) | 1.0~2.5 | |
试验压力Ps(MPa) | 密封 | 1.1×PN |
强度 | 1.5×PN | |
工作压力(MPa) | 1.0×PN | |
介质温度(℃) | ≤80 | |
适用介质 | 清水、海水、泥沙水、油品等 | |
注:1、1MPa=10.2kgf/cm2 2、用于水电站时,密封试验压力可按电站最高静水头计算值。

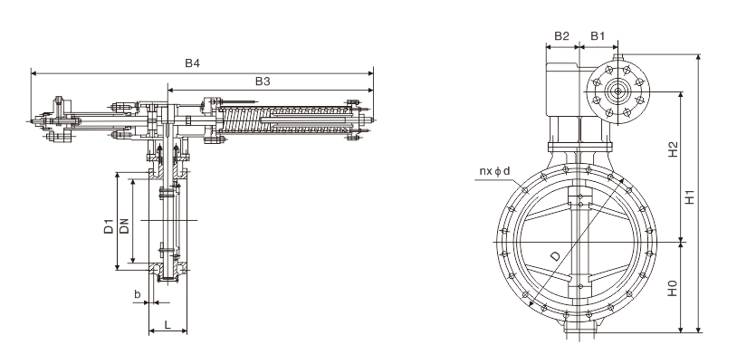
主要外形尺寸(PN1.0MPa)
DN | L | D | D1 | b | n | d | B1 | B2 | B3 | B4 | H1 | H2 | H0 |
200 | 152 | 340 | 295 | 24 | 8 | 23 | 128 | 150 | 880 | 1340 | 176 | 480 | 887 |
250 | 165 | 395 | 350 | 26 | 12 | 23 | 128 | 150 | 880 | 1340 | 210 | 510 | 958 |
300 | 178 | 445 | 400 | 26 | 12 | 23 | 128 | 150 | 880 | 1340 | 238 | 577 | 1045 |
350 | 190 | 505 | 460 | 26 | 12 | 23 | 135 | 160 | 1066 | 1722 | 270 | 617 | 1140 |
400 | 216 | 565 | 515 | 26 | 16 | 28 | 135 | 160 | 1066 | 1722 | 302 | 659 | 1214 |
450 | 222 | 615 | 565 | 28 | 16 | 28 | 135 | 160 | 1066 | 1722 | 332 | 678 | 1263 |
500 | 229 | 670 | 620 | 28 | 20 | 28 | 180 | 205 | 1380 | 2220 | 370 | 738 | 1370 |
600 | 267 | 780 | 725 | 30 | 20 | 31 | 180 | 205 | 1380 | 2220 | 432 | 827 | 1521 |
700 | 292 | 895 | 840 | 30 | 24 | 31 | 180 | 205 | 1380 | 2220 | 470 | 875 | 1607 |
800 | 318 | 1015 | 950 | 32 | 24 | 34 | 195 | 220 | 1550 | 2510 | 530 | 953 | 1763 |
900 | 330 | 1115 | 1050 | 34 | 24 | 34 | 195 | 220 | 1550 | 2510 | 580 | 1000 | 1860 |
1000 | 410 | 1230 | 1160 | 34 | 28 | 37 | 195 | 220 | 1550 | 2510 | 650 | 1092 | 2022 |
1200 | 470 | 1455 | 1380 | 38 | 32 | 40 | 221 | 250 | 1745 | 2777 | 765 | 1238 | 2307 |
1400 | 530 | 1675 | 1590 | 42 | 36 | 43 | 221 | 250 | 1745 | 2777 | 890 | 1319 | 2513 |
1600 | 600 | 1915 | 1820 | 46 | 40 | 49 | 221 | 250 | 1745 | 2777 | 1010 | 1429 | 2743 |
主要外形尺寸(PN1.6MPa)
DN | L | D | D1 | b | n | d | B1 | B2 | B3 | B4 | H1 | H2 | H0 |
200 | 152 | 340 | 295 | 24 | 12 | 23 | 128 | 150 | 880 | 1340 | 176 | 481 | 887 |
250 | 165 | 405 | 355 | 26 | 12 | 27 | 128 | 150 | 880 | 1340 | 210 | 518 | 958 |
300 | 178 | 460 | 410 | 28 | 12 | 27 | 128 | 150 | 880 | 1340 | 238 | 577 | 1045 |
350 | 190 | 520 | 470 | 30 | 16 | 27 | 135 | 160 | 1066 | 1722 | 270 | 617 | 1140 |
400 | 216 | 565 | 525 | 32 | 16 | 31 | 135 | 160 | 1066 | 1722 | 302 | 659 | 1214 |
450 | 222 | 640 | 565 | 34 | 20 | 31 | 135 | 160 | 1066 | 1722 | 332 | 678 | 1263 |
500 | 229 | 715 | 650 | 36 | 20 | 34 | 180 | 205 | 1380 | 2220 | 370 | 738 | 1370 |
600 | 267 | 840 | 775 | 38 | 20 | 37 | 180 | 205 | 1380 | 2220 | 432 | 827 | 1521 |
700 | 292 | 910 | 850 | 40 | 24 | 37 | 180 | 205 | 1380 | 2220 | 470 | 875 | 1607 |
800 | 318 | 1025 | 950 | 42 | 24 | 40 | 195 | 220 | 1550 | 2510 | 530 | 953 | 1763 |
900 | 330 | 1125 | 1050 | 44 | 28 | 40 | 195 | 220 | 1550 | 2510 | 580 | 1000 | 1860 |
1000 | 410 | 1255 | 1170 | 46 | 28 | 43 | 195 | 220 | 1550 | 2510 | 650 | 1092 | 2022 |
1200 | 470 | 1485 | 1390 | 52 | 32 | 49 | 221 | 250 | 1745 | 2777 | 765 | 1238 | 2307 |
1400 | 530 | 1685 | 1590 | 58 | 36 | 49 | 221 | 250 | 1745 | 2777 | 890 | 1319 | 2513 |
1600 | 600 | 1930 | 1820 | 64 | 40 | 56 | 221 | 250 | 1745 | 2777 | 1010 | 1429 | 2743 |
主要外形尺寸(PN2.5MPa)
DN | L | D | D1 | b | n | d | B1 | B2 | B3 | B4 | H1 | H2 | H0 |
200 | 152 | 360 | 310 | 30 | 12 | 28 | 135 | 160 | 1066 | 1722 | 176 | 481 | 887 |
250 | 165 | 425 | 370 | 32 | 12 | 31 | 135 | 160 | 1066 | 1722 | 210 | 518 | 958 |
300 | 178 | 485 | 430 | 34 | 16 | 31 | 135 | 160 | 1066 | 1722 | 238 | 577 | 1045 |
350 | 190 | 555 | 490 | 38 | 16 | 34 | 180 | 205 | 1380 | 2220 | 270 | 617 | 1140 |
400 | 216 | 620 | 550 | 40 | 16 | 37 | 180 | 205 | 1380 | 2220 | 302 | 659 | 1214 |
450 | 222 | 670 | 640 | 42 | 20 | 37 | 180 | 205 | 1380 | 2220 | 332 | 678 | 1263 |
500 | 229 | 730 | 660 | 44 | 20 | 37 | 180 | 205 | 1380 | 2220 | 370 | 738 | 1370 |
600 | 267 | 845 | 770 | 46 | 20 | 40 | 195 | 220 | 1550 | 2510 | 432 | 827 | 1521 |
700 | 292 | 960 | 875 | 50 | 24 | 43 | 195 | 220 | 1550 | 2510 | 470 | 875 | 1607 |
800 | 318 | 1085 | 990 | 54 | 24 | 49 | 195 | 220 | 1550 | 2510 | 530 | 953 | 1763 |
900 | 330 | 1185 | 1090 | 58 | 28 | 49 | 221 | 250 | 1745 | 2777 | 580 | 1000 | 1860 |
1000 | 410 | 1320 | 1210 | 62 | 28 | 56 | 221 | 250 | 1745 | 2777 | 650 | 1092 | 2022 |
1200 | 470 | 1680 | 1420 | 70 | 32 | 56 | 221 | 250 | 1745 | 2777 | 765 | 1238 | 2307 |
1400 | 530 | 1755 | 1640 | 76 | 36 | 62 | 270 | 290 | 1920 | 3120 | 890 | 1319 | 2513 |
1600 | 600 | 1975 | 1860 | 84 | 40 | 62 | 270 | 290 | 1920 | 3120 | 1010 | 1429 | 2743 |
注:其它压力、通径规格阀门可按用户要求生产。
地址:湖南省长沙市雨花区中意一路967号中
海珑悦府1栋1904
手机/微信:138 7582 5678
服务热线:400-608-0731 电话:0731-8202 5555 邮箱:cssufa@163.com 网址:http://www.cssufa.com
热线电话:400-608-0731 138 7582 5678 


